|
|
|
|
| |
|
OSCILLOSCOPE APPAREIL DE MESURE |
| |
| |
.........Tension Sinusoïdale pure |
| |
Le spot de trace se déplace de la gauche vers la droite à une vitesse dépendant du temps de balayage, il monte ou descent avec l'amplitude et la polarité de la tension sur l'entrée correspondante |
| |
| Visualisation d'un signal sinusoïdal sur trois périodes (mesure tension / fréquence) |
| |
 |
| |
| tension crête = 2.6 *50 = 130 v...... tension efficace = 91.93 v .( par calcul ) ...... |
| |
| t = temps en seconde ou milliseconde.......T = période signal = 3.33 * 5 = 16.65 ms = 0.01665 s ......fréquence = 1 / T = 1 / 0.01665 = 60 Hz |
|
 |
| photo Double |
| |
| Le temps de balayage est identique sur les voies A et B |
| |
| |
| |
| Modification Sensibilité Voie A (même tension d'entrée)..... |
| |
 |
| photo double |
| |
| |
| |
| .Oscilloscope double voie (mesure déphasage entre deux signaux) |
| |
| Modification base de temps (même fréquence sur voie A et B ) |
| |
 |
| photo double |
| |
| |
|
| |
|
|
| |
|
Le court - circuit est supprimé par une sonde d'isolement extérieure en tension sur l'une des deux voies ou les deux
Cette sonde peut être intégrée dans l'oscilloscope, la référence voie devient l'équivalent de la masse
|
| |
|
| |
|
| |
|
|
| |
|
| |
|
|
| |
|
| |
| |
|
| |
|
| |
|
| |
Oscilloscope Numérique......Mise en Mémoire des Signaux ....Valeur Tension sur Ecran..... Analyse
......Opérations Mathématiques Entre les Entrées de 1 à 4 ..... Ecran plat..... |
| |
| |
SONDES D'ISOLEMENT |
| |
| |
Visualisation d'une intensité ou d'une tension avec des sondes d'isolement externe |
| |
|
| |
|
|
| |
|
Sonde d'isolement en tension |
Sonde d'intensité Mesure à prendre sur 1 seul fil électrique....................... |
.......................Mesure incorrecte la sonde donne la somme |
| |
| |
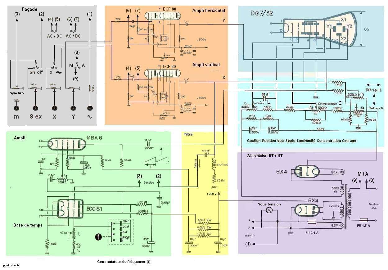
REALISATION PERSONNELLE |
| |
|
|
|
|
| |
|
| |
Multimètre de mesure |
| |
|
| |
|